Bosch Rexorth Control cover LFA 50 DBU2B2-6X/315A100V/12 R900559196 Rexroth
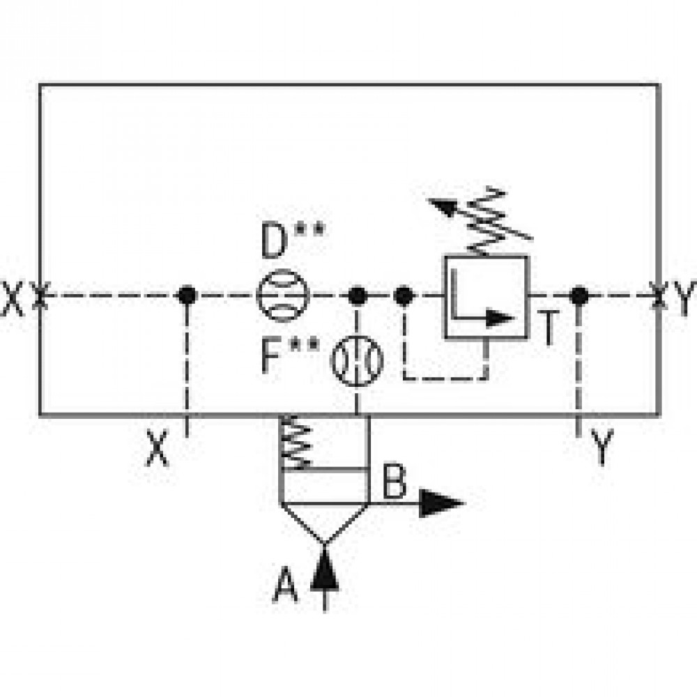
Bosch Rexorth Control cover LFA 50 DBU2B2-6X/315A100V/12 R900559196 RexrothGeneral2-way cartridge valves for pressure functions are pilot-operated valves in seat or spool design. The power section designed as cartridge valve (1) is installed into a receiving hole standardized according to DIN ISO 7368 and closed with a control cover (2).The pilot control valve (4) for manual or electrically proportional pressure adjustment is integrated into the control cover (2) or is installed on the control cover (2) as pilot valve with mounting dimensions according to DIN 24 340.By combination of cartridge valves with the control covers, different pressure functions can be realized. .Pressure relief functionThe cartridge valve (1) for the pressure relief function (type LC . DB…) is designed as seat valve without area difference (no effective area at port B). The effective pressure at port A is directed via the pilot oil supply orifice (5) to the spring side (6) of the element. Under the pressure set at the pilot control valve (4), the spool (3) is pressure-compensated and closed by the spring force.On reaching the set pressure, the spool (3) is opened and the pressure at port A is limited according to the pressure-flow characteristics.Pressure reducing functionRest position openThe cartridge valve for the pressure reducing function is designed as spool valve without area difference (no effective areas at port B).As pilot control valve, identical cover types as for the pressure relief function are applied (type LFA..DB…).The effective pressure at port A is directed via the pilot oil supply orifice to the spring side of the spool. Under the performance limit and the pressure set at the pilot control valve, the spool is pressure-compensated and retained in open position by the spring force to enable free flow from port B to port A.On reaching the set pressure, the spool is closed and the pressure at port A is reduced according to the pressure-flow characteristics. Size Pilot control valve manual pressure adjustment 16 to 32 40 to 63 80 and 100 • • • Without directional valve • = availableSize 16 … 160Maximum operating pressure 420 bar
0
руб.
Старая цена:
Bosch Rexorth Control cover LFA 50 DBU2B2-6X/315A100V/12 R900559196 Rexroth